A类前锁紧装置 |
型号 | 产品图片 | 外形尺寸 | 外形参数 | 材质表处 |
QSJ-A-45-2 |
| | 长度45mm 重量48g | 不锈钢 CT.P钝化 |
QSJ-A-48-2 | |
| 长度48mm 重量50g | 不锈钢 CT.P钝化 |
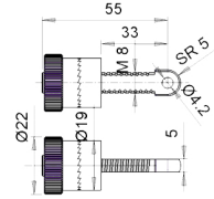
QSJ-A-55-2 |
|
| 长度55mm 重量52g | 不锈钢 CT.P钝化 |
QSJ-A-70-2 | |
| 长度70mm 重量75g | 不锈钢 CT.P钝化 |
产品特性 | 锁紧操作方便,锁紧-解锁快捷,无需专用工具,夹持重量大,振动环境适应性好 | |||
工作温度 | -55°~+125° | |||
振动 | 实验程序符合GJB150.16-1986中规定,单只夹持重量为5Kg时通 过条件a;规定振动耐久实验条件,持续时间每轴向2.5h;单只夹持重量 为14Kg时通过条件b;规定振动耐久实验条件,持续时间每轴向1h;三轴 向实验合计3h。 | |||
湿热 | 试验周期数10(每周期24h) | |||
盐雾 | 能承受+35℃下,5%盐溶液的盐雾试验96h | |||
◆ 以上为常用型号,更多型号可联系销售人员,也可根据客户需求定制。



